用途・特長
3種類の梁受け金物を組み合わせて使用することにより、9通りの梁受け金物の役割を果たし、梁成105mm〜630mmに対応します。
各種ダウンロード
CAD
性能認定
寸法図
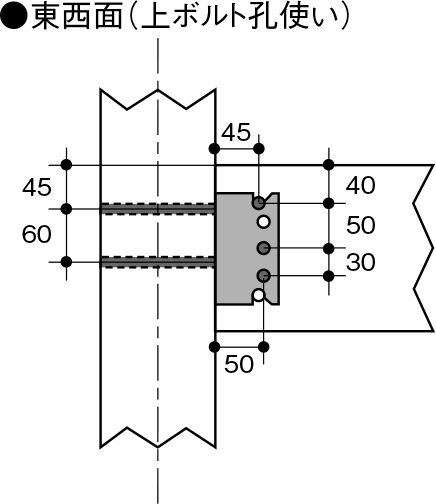
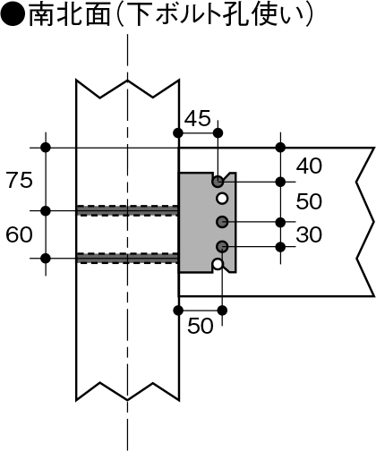
取付参考図
仕様
●短期基準接合耐力
(公財)日本住宅・木材技術センター
ハウスプラス確認検査(株)
( )は長期基準接合耐力
| 型番仕様 | 略称 | 対応梁成(mm) | せん断耐力(kN) | 逆せん断耐力(kN) | 引張耐力(kN) | |||
|---|---|---|---|---|---|---|---|---|
| 通常 | HB | 通常 | HB | 通常 | HB | |||
| MH-90 | H9 | 105、120、150 | 10.6(5.8) | 8.7(4.7) | 7.3(4.0) | 6.1(3.3) | 12.7(6.9) | 8.3(4.5) |
| MH-120 | H12 | 180、210 | 17.2(9.4) | 20.8(11.4) | 13.5(7.4) | 14.2(7.8) | 21.4(11.7) | 20.6(11.3) |
| MH-180 | H18 | 240、270 | 34.1(18.7) | 31.4(17.2) | 25.1(13.8) | 24.9(13.6) | 30.4(16.7) | 27.5(15.1) |
| MH-120+MH-120 | H1212 | 300、330 | 40.5(22.2) | 40.3(22.1) | 36.6(20.1) | 32.1(17.6) | 29.1(16.0) | 25.4(13.9) |
| MH-120+MH-180 | H1218 | 360、390 | 48.4(26.6) | 48.6(26.7) | 50.2(27.6) | 45.2(24.8) | 37.6(20.6) | 37.3(20.5) |
| MH-180+MH-180 | H1818 | 420、450 | 50.9(27.9) | 47.1(25.9) | 50.6(27.8) | 52.1(28.6) | 44.1(24.2) | 37.1(20.4) |
| MH-180+MH-120 +MH-120 | H181212 | 480、510 | 55.9(30.7) | ー | ー | ー | 37.1(20.4) | ー |
| MH-180+MH-180 +MH-120 | H181812 | 540、570 | 62.0(34.1) | ー | ー | ー | 37.1(20.4) | ー |
| MH-180+MH-180 +MH-180 | H181818 | 600、630 | 79.1(43.5) | ー | ー | ー | 37.1(20.4) | ー |
HB=ハイブリッド・ビーム
| 種類 | サイズ(mm) | 商品コード | 梱包(1ケース) |
|---|---|---|---|
| MH-90 | 3.2×66×90 | AM3M0900 | 40個 |
| MH-120 | 3.2×66×120 | AM3M1200 | 30個 |
| MH-180 | 3.2×66×180 | AM3M1800 | 20個 |
| 材質 | JIS G 3302 構造用SGH400 |
|---|---|
| 表面処理 | 溶融亜鉛めっき(Z27)、カチオン電着塗装 |
本体のみの梱包になります。ドリフトピン等の接合具は別途ご用意ください。
※詳細につきましては「SSマルチ技術資料」をご用意しております。
(お問い合わせはCSセンター 0120-558-313)























